Eli L. Whiteley Learning Center

Partner: Preston Baird

52 years ago, a memorial park was dedicated to Medal of Honor Recipient, Eli L. Whiteley ‘41, to commemorate his bravery in World War II. The Eli L. Whiteley Learning Center preserves his passion for higher education by offering state-of-the-art learning facilities that can help provide the knowledge for leaders of the future. Through the use of a variety of learning environments, students can achieve academic success in whichever one suits them best.

Combining our last names, Flores and Baird, flair.d is the name of our partnership and is featured on many of our design proposals.

ARCH 405

Professor: Michael O’Brien

Jump to Spring Semester

Background

Program

Renders

Floor Plans

Sections and Elevations

Structural Plans

Egress Plans

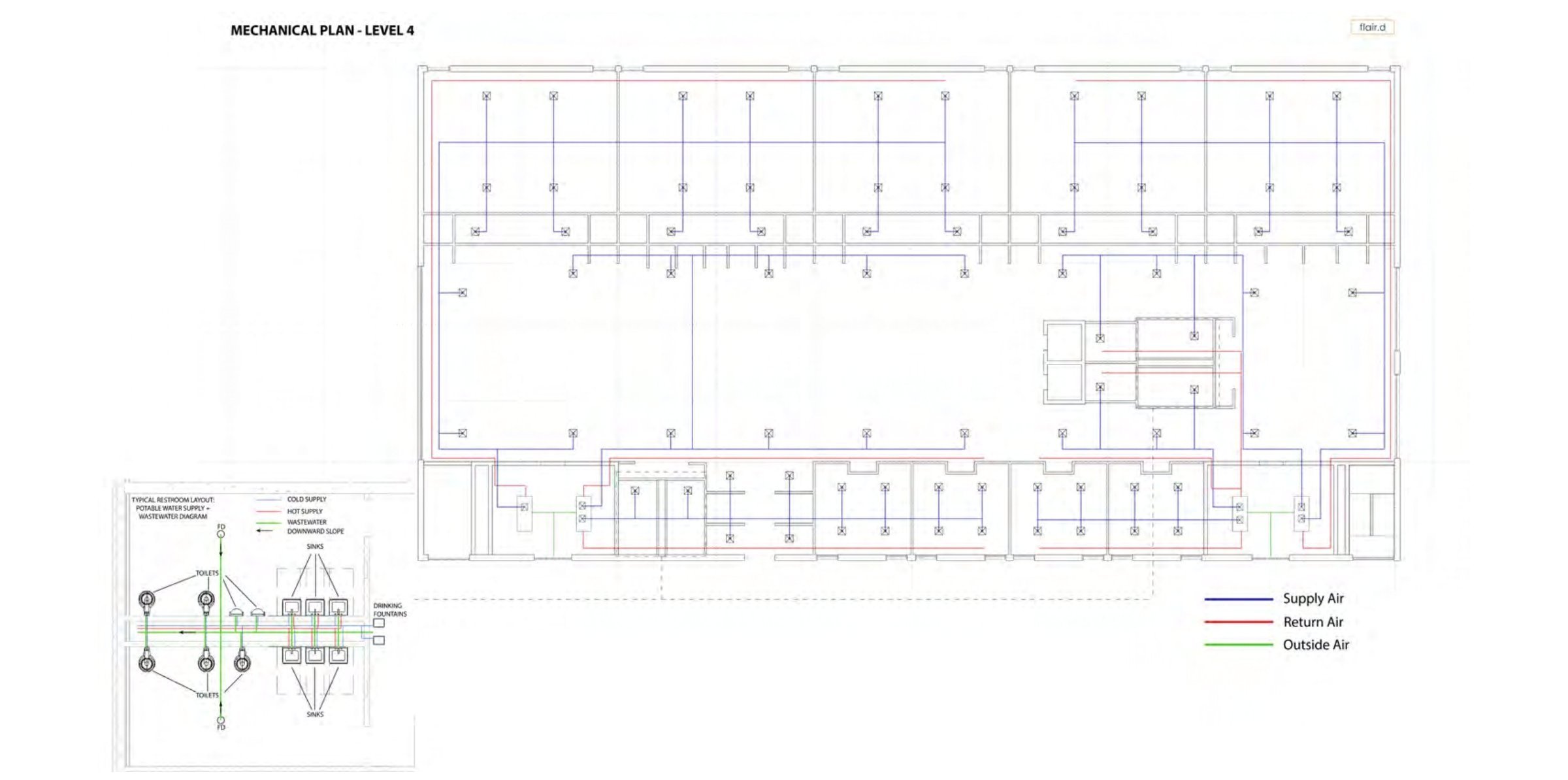
Mechanical Plans

Technical

Next
Next

Fourth Year Spring 2022